Beschreibung des Produkts
18mtr Hochdruckschiff Marine Airbagsship Launching Airbags
Einleitung Boot des anhebenden Ballon-Schiffslandenden Gummiairbags
Die Schiffslandenden Gummiairbags, alias Marineairbags, Airbags ankoppelnd, Schiffslandungsballone und Mary-Airbags, sind jetzt eine bequeme Weise für das Schiff geworden, das in einige Werfte startet, besonders in denen es keinen Helling gibt. Zur Zeit ist es im startenden weitverbreitet, schweres Gegenstandbehandelnden, und Wasserwiedergewinnung Schiff.

Produkt-Details
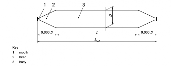
Einige normale Größen von unserer Marine Rubber Airbag, kundengebundene Größen sind auch verfügbar
| Durchmesser (m) |
Nutzlänge (m) |
Schicht |
Druck (MPa) |
| 1,0 |
10 |
5~6 |
0.07~0.10 |
| 1,0 |
12 |
5~6 |
0.07~0.10 |
| 1,0 |
15 |
5~6 |
0.07~0.10 |
| 1,2 |
10 |
5~6 |
0.08~0.12 |
| 1,2 |
12 |
5~6 |
0.08~0.12 |
| 1,2 |
15 |
5~6 |
0.08~0.12 |
| 1,5 |
12 |
5~8 |
0.08~0.16 |
| 1,5 |
15 |
5~8 |
0.08~0.16 |
| 1,5 |
18 |
5~8 |
0.08~0.16 |
| 1,5 |
20 |
4~8 |
0.08~0.16 |
| 1,5 |
24 |
5~8 |
0.08~0.16 |
| 1,8 |
12 |
5~8 |
0.08~0.15 |
| 1,8 |
15 |
5~8 |
0.08~0.15 |
| 1,8 |
18 |
5~8 |
0.08~0.15 |
| 1,8 |
20 |
5~8 |
0.08~0.15 |
| 1,8 |
24 |
5~8 |
0.08~0.15 |
| 2,0 |
18 |
6~10 |
0.08~0.18 |
| 2,0 |
20 |
6~10 |
0.08~0.18 |
| 2,0 |
24 |
6~10 |
0.08~0.18 |
| 2,5 |
18 |
7~10 |
0.07~0.13 |
| 2,5 |
20 |
7~10 |
0.07~0.13 |
| 2,5 |
24 |
7~10 |
0.07~0.13 |
Struktur des Schiffslandungs-Gummiairbags
1) Äußere Gummischicht
Die äußere Gummischicht, die außerhalb des Marineairbags bedeckt, um sich unter Schichten vor Abnutzung und anderen externen Kräften zu schützen. Dieses Mittel hat die genügende dehnbare und Reißkraft, zum jeder Bedingung und harten Verwendung zu widerstehen.
2) Innere Gummischicht
Die inneren Gummischichtdichtungen setzten Luft innerhalb der Marineairbags unter Druck.
3) Synthetisch-Reifen-Schnur-Schicht als Verstärkung
Die Verstärkungsschnurschichten, die von der Synthetisch-Reifenschnur gemacht werden, die in den Reifen allgemein verwendet ist, werden in den idealen Winkeln vereinbart, um den internen Druck zu halten und Druck gleichmäßig zu verteilen. So können sie starke leistungsfähige Verstärkung zur Verfügung stellen.
- Höhere Flexibilitäts-und Stoßdämpfungs-Fähigkeit
Henger-Airbag wird mit einzigartiger integraler twining Technik hergestellt. Die AirbagWandstärke ist mit Sekundärnaht in der Überlappung einheitlich. Beim Rollen in der Steigung und im ungleichen Schiffsweg, ist der flexible Airbag hilfreich, Strukturdruck und startendes Risiko des Schiffs zu verringern.
Schweres Verzerrungsphänomen würde Abblätterung unter Airbagschichten, dann veranlassen, um mehr schwere Unfälle zu verursachen.
Solches gefährliche Verzerrungsphänomen in startendem Prozess des Schiffs geschah nie Henger Marine Airbags

Eigenschaften des Gummiairbags für Schiffs-Eindocken
1. Große Tragfähigkeit
2. Hohe Kapazität gegen Kompression und das Verdrehen
3. Neuer Entwurf des anti-Berst-contruction am Ende
4. Optimierter struktureller Plan
5. Dauerhafte Alterungsbeständigkeit und Antiverschleißeigenschaft
6. Höheres flesibility und Dämpfungsfähigkeit.
Technologie unseres Marineairbags
Gesamtwicklung, ahigh Druck anti-explosiv
Unsere Firma erfand die neue wickelnde Gesamttechnologie. Die neue Technologie stellt die gute Qualität unserer Marineairbags sicher, die unsere Marineairbags herstellt, um dauerhafter und sicherer zu sein.